Alle Maßangaben in Millimeter, Gewichtsangaben in Gramm. Für die fotografische Darstellung verwenden wir eine Artikelgröße sowohl Studiolicht. Die Abbildungen, technischen Daten, Maße und Ausführungen sind unverbindlich. Wir behalten uns jederzeit Änderung ohne Ankündigung vor. Die Nutzmaße sind definiert bzw. verstärkt dargestellt bzw. ergeben sich aus der Artikelbezeichnung. Weitere Maße dienen ausschließlich der Darstellungsunterstützung. Bei Zweckentfremdung bitten wir dies zu beachten.
Beschreibung
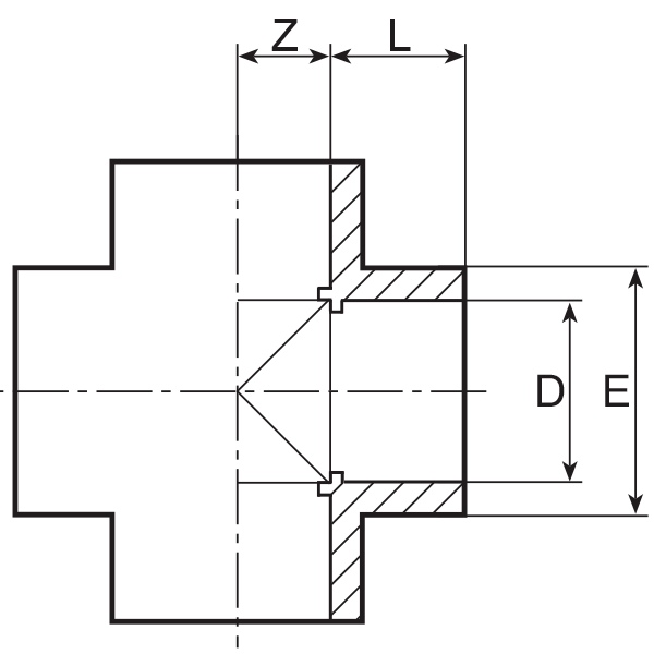
h2>PVC-U Kreuz Stück ECO, 4fach Klebemuffe Eco Fittings sind nicht nur günstig, sondern perfekt abgestimmt auf die Bedürfnisse im Teich- und Poolbau sowie Niederdruckanlagen.
| Anschluss: | 4fach Klebemuffe |
| Temperatur: | bis 45°C konstant, kurzzeitig 60°C |
| Arbeitsdruck (PN): | max. 10 bar bei 20°C |
| Material: | PVC-U |
| Farbe: | Grau |
| Einsatzbereich: | |
DOWNLOAD chemische Beständigkeit von Kunststoffen
DOWNLOAD äußere Merkmale von Spritzgussfittings
Medien
Es stehen aktuell keine Mediendateien zur Verfügung.
